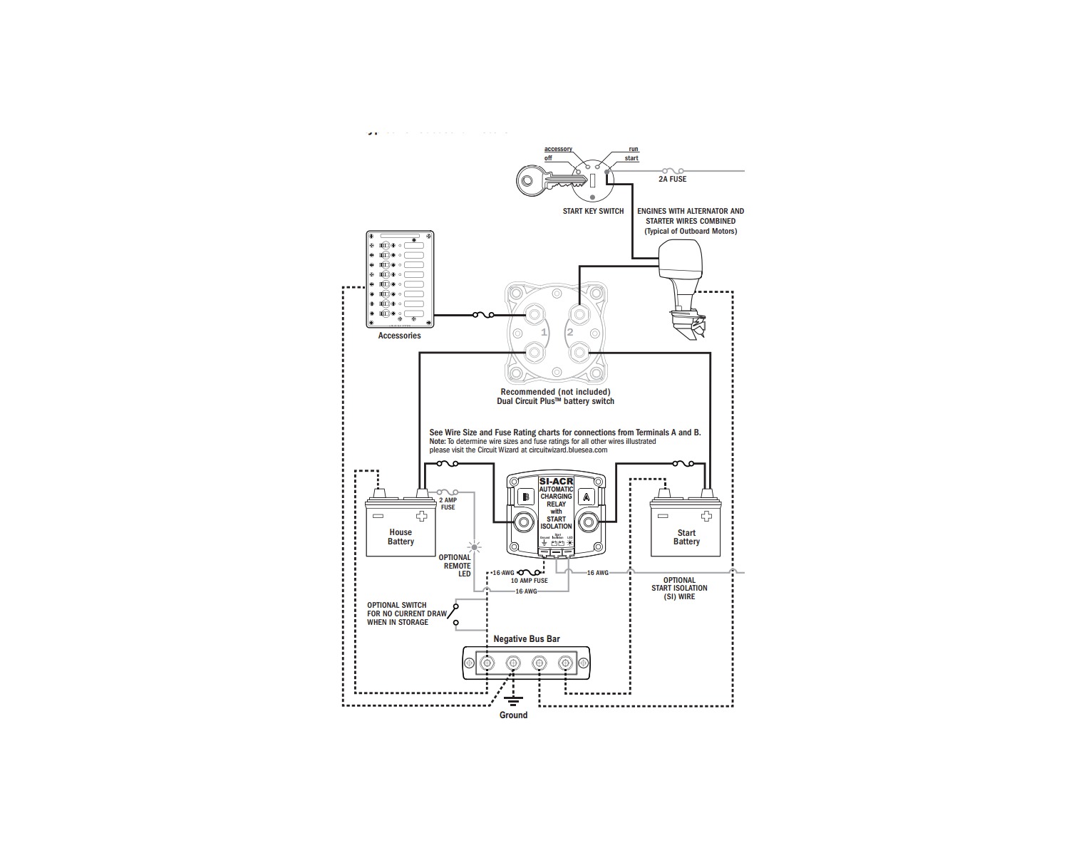
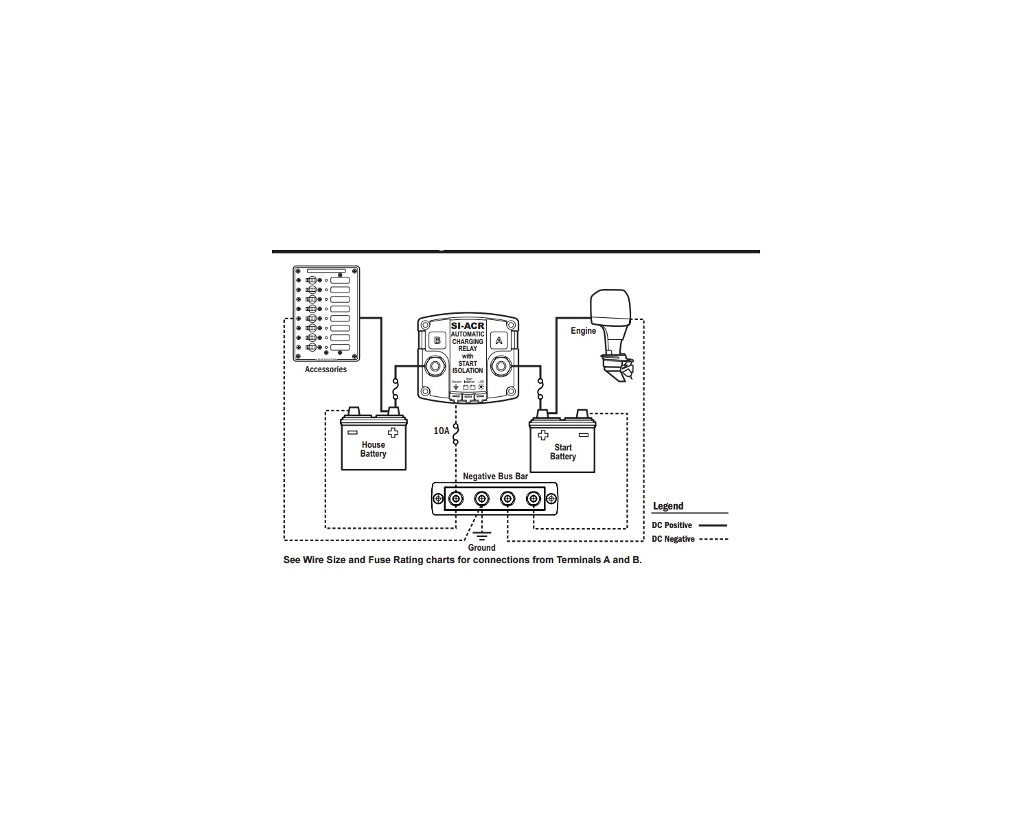
Coupleur automatique de batterie : assure une charge optimale des batteries
Assure une charge optimale de toutes les batteries auxiliaires ou de bord. Il protège la batterie principale ou moteur.
Aucun avis client. Soyez le premier à déposer un avis consommateur






RACOR S3240 Cartouche filtre essence pour 120R
BLUE SEA Bus répartiteur 10 directions 150A

" Disponibles, réactifs, pros, sympathiques. C'est le sans faute. "
" super pro gentil équipe au top merci! "
" Produit conforme à la commande. Envoi super rapide. Parfait "
" Bonjour, Surpris de la réactivité de votre entreprise, commande effectué le veille livrer le lendemain! il y a des société qui devrait prendre exemple sur vous. merci ! de vrais professionnels Cdlt Mr Mangin "
" Equipe très compétente, accueil irréprochable, large choix de produits... Bravo Nicolas & Co ! "
" remarquable réactivité suite à mon erreur d'adresse, équipe géniale. un grand merci. "
" Interlocuteur téléphonique très sympa Bonnes informations Continuer comme ça Merci "
" les produits sont conformément à mes attentes "
" Bon produit et délai de livraison correct. "
" Bonjour, Je viens de réaliser mon premier carénage, et honnêtement je vous recommande Big ship. L'équipe est au top, un grand merci à Philippe pour son intervention sur les passe coque et tous ses bons conseils. Big ship est très professionnel j'ai m... "
" Excellent accueil au magasin de La Rochelle. Des conseils pertinents et une disponibilité totale. Big Ship les Minimes c'est toujours mon premier choix "